1 .. 177 178 179 180 181 182 183 184 185 186 187 .. 220
C
aja BS • BSVQ100-250P8B
Sistemas VRV
®
 • VRV
®
 BS
180
6
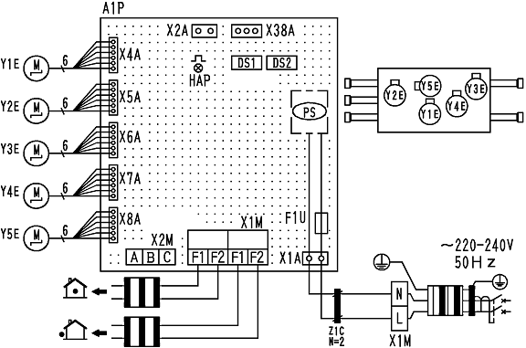
Diagrama de cableado
6 - 1
Diagrama de cableado
5
6
BSVQ-P8
3D060928
NOTAS
1
E
l
d
iagrama de cableado se aplica sólo a la unidad BS
2
C
uando utilice el selector de frío/calor(accesorio opcional), conéctelo a los terminales A, B, y C en X2M.
3
En cuanto al cableado para la unidad interior (F1) - (F2) y la unidad exterior (F1) - (F2) en X1M(A1P), consulte el manual de instalación.
4
Utilice únicamente conductores de cobre.
5
Interruptor (DS1-2) los ajustes iniciales son los siguientes.
Para utilizar el interruptor DIP (DS1-2), consulte el manual de instalación o la etiqueta “precauciones de servicio” en la cubierta del cuadro eléctrico.
A1P
Placa de circuito impreso
Y2E
Válvula de expansión eléctrica (subdescarga)
DS1, DS2
Conmutador DIP
Y3E
Válvula de expansión eléctrica (subaspiración)
F1U
Fusible (T, 3, 15A, 250V)
Y4E
Válvula de expansión eléctrica (descarga
principal)
HAP
Luz parpadeante
(Monitor de servicio verde)
Y5E
Válvula de expansión eléctrica (aspiración principal)
Z1C
Filtro de ruido (núcleo de ferrita)
PS
Conmutación de alimentación eléctrica (A1P)
Conectores para componentes opcionales
X1M
Regleta de terminales (alimentación)
X2A
Conector (control externo de cableado)
(Adaptador para unidad exterior)
X1M (A1P)
Regleta de terminales (control)
X2M
Regleta de terminales (selector F/C)
X38A
Conector
(Adaptador para inquilinos múltiples)
Y1E
Válvula de expansión eléctrica (subrefrigeración)
: Regleta de terminales
Colores:
RED:
Rojo
PRP
Morado
ORG:
Naranja
: Conector
BLK:
Negro
GRY:
Gris
GRN:
Verde
: Conector
WHT:
Blanco
BLU:
Azul
: Tendido de cables
YLW:
Amarillo
PNK:
Rosa
: Protección a tierra
Alimentación eléctrica
Unidad exterior
PARTE SUPERIOR
DE LA UNIDAD BS
Unidad interior
Nota 2
Nota 5
BLU
RED