1 .. 27 28 29 30 31 32 33 34 35 36 37 .. 220
Manual de diseño de refrigeración por agua
Sistemas VRV
®
Manual de diseño de refrigeración por agua
30
2
4
4
Requisitos de seguridad del sistema
4 - 1
Interbloqueo de bomba
Pueden surgir problemas si las unidades condensadoras del VRV
®
-WIII funcionan sin la suficiente cantidad de agua en el circuito.
Cuando se conecta el interbloqueo de una bomba de agua con el sistema VRV
®
-WIII, deberán usarse los terminales 1 y 2 de la regleta X2M.
La PCI de la unidad condensadora del VRV
®
-WIII:
N
OTA
En la mayoría de los casos, en edificios grandes (20,000 m²) las bombas trabajan continuamente. Por lo tanto no se usa interbloqueo.
4 - 2
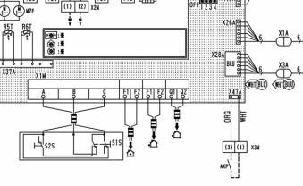
Interruptor de flujo
Se recomienda un interruptor de flujo por módulo VRV
®
-WIII a fin de asegurar que cada módulo recibe el caudal requerido. Si se abre un interruptor
de flujo, el módulo se para. En caso de disposición múltiple (20 y 30 unidades HP), todas las unidades en un mismo sistema permanecerán apagadas,
y seguirán así mientras cualquiera de los módulos VRV
®
-WIII detecte que hay algún interruptor de flujo abierto.
Un interruptor de flujo puede interbloquearse en las conexiones 3 y 4 de la regleta de terminales X3M
Es el color del conector para la placa de circuitos impresos.
Es el color del conector para el componente
Es el color diferenciador para el cable conductor del componente.
INTERIOR-
EXTERIOR
SELECTOR FRÍO/CALOR
exterior (Q1)(Q2)
exterior (F1)(F2)
Selector de frío/calor (accesorio opcional)
interior (F1)(F2)
frío
calor
frío
calor
ventilador
EXTER
IOR-
EXTERIOR
E
XTERIOR
-M
ÚLTIPLE
Interbloqueo
nota)6
T
did
d
bl
C
t