1 .. 160 161 162 163 164 165 166 167 168 169 170 .. 220
Sistemas VRV
®
• Unidades exteriores
163
Unidades exteriores • Serie geotérmica • RWEYQ-PY1R
6
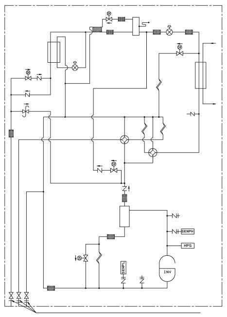
Diagrama de tuberías
4
6
RWEYQ8-10PR
4D048290C
Válvula solenoide
Entrada
de agua
Filtro
válvula solenoide
Filtro
Filtro
Filtro
Tubo del intercambiador de calor
Válvula de expansión
electrónica
Válvula de expansión
electrónica
Intercambiador de
calor de la placa
Salida
de agua
tubo capilar
tubo capilar
tubo capilar
Válvula de 4 vías
válvula de
control
Válvula solenoide
válvula de
control
Válvula reguladora de
presión
Compuerta
de servicio
Subref
riger
ación
Int
e
r
cam
biador
 de cal
o
r
Filtro
Válvula de 4 vías
Válvula
solenoide
válvula de
control
válvula de
control
Filtro
Abertura del manómetro
orificio abocardado de 1/4”
Sensor de alta presión
Presostato de alta
Compresor
tubo capilar
Válvula
solenoide
Filtro
Filtro
Abertura del manómetro
orificio abocardado de 1/4”
Sensor de
baja presión
Válvula de cierre (con compuerta de servicio en el lado de la tubería en la obra con conexión abocardada de ø7,9 mm)