1 .. 40 41 42 43 44 45 46 47 48 49 50 .. 220
Sistemas VRV
®
Manual de diseño de refrigeración por agua
43
Manual de diseño de refrigeración por agua
2
7
7
Sistemas de tuberías Refnet
BHFP22MA84
3D049157
N
OTAS
1
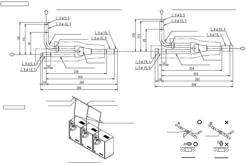
---- en la figura muestra la tubería de conexión (suministrada en la obra).
2
Consulte el “Manual de instalación” o los “Datos técnicos” para obtener detalles sobre la tubería de conexión necesaria.
3
Observe la siguiente limitación cuando configure este kit.
I
n
s
tale la junta horizontalmente de forma que la etiqueta de precaución fijada a la junta esté en la parte superior.
No incline la junta más de ±15°.
 (Consulte la fig. 1).
Además, no instale la junta verticalmente.
 Consulte la fig. 2)
Junta del lado de líquido
Ejemplo de instalación
Junta del lado del líquido (2) + Reductor del lado de líquido
Reductor del lado de líquido:
Conexión de tubería en la obra
Junta del lado de líquido (2)
Etiqueta de precaución
A la unidad exterior C
Reductor del lado de líquido:
Tubo de líquido (suministrado en la obra)
Junta del lado de líquido (1)
Exterior
Unidad A
Exterior
Unidad B
Et
iqueta de precaución
Máx.
±15°
L
ín
e
a
h
o
r
iz
on
ta
l
Fig.
 1
Et
iqueta de precaución
Fig.
2
Vista A
Tierra
Vista B
Tierra
A la unidad exterior B
(BHFP22MA84*)
Junta del lado de gas: 2 unidades
Junta del lado de líquido (1): 1 unidad
Junta del lado de líquido (2): 1 unidad
Tubería del lado de gas (accesorio: 3 unidades
Reductor del lado de gas (1): 3 unidades
Reductor del lado de gas (2): 1 unidad
Reductor del lado de líquido: 2 unidades
Aislamiento térmico: 4 unidades
Tubo de aislamiento para tubería de gas: 3 unidades
Tubo de aislamiento para tubería de líquido: 2 unidades
Manual de instalación
* Consulte el diagrama exterior de las piezas de
componentes en el caso de BHFP26MA84.
Piezas de los componentes
Reductor del lado de líquido:
Exterior
Unidad C
Junta del lado de líquido (2)
Reductor del lado de líquido:
Conexión de tubería en la obra
Etiqueta de precaución
Junta del lado de líquido (1)
A la unidad exterior A
Junta del lado del líquido (1) + Reductor del lado de líquido
A la unidad
interior